-
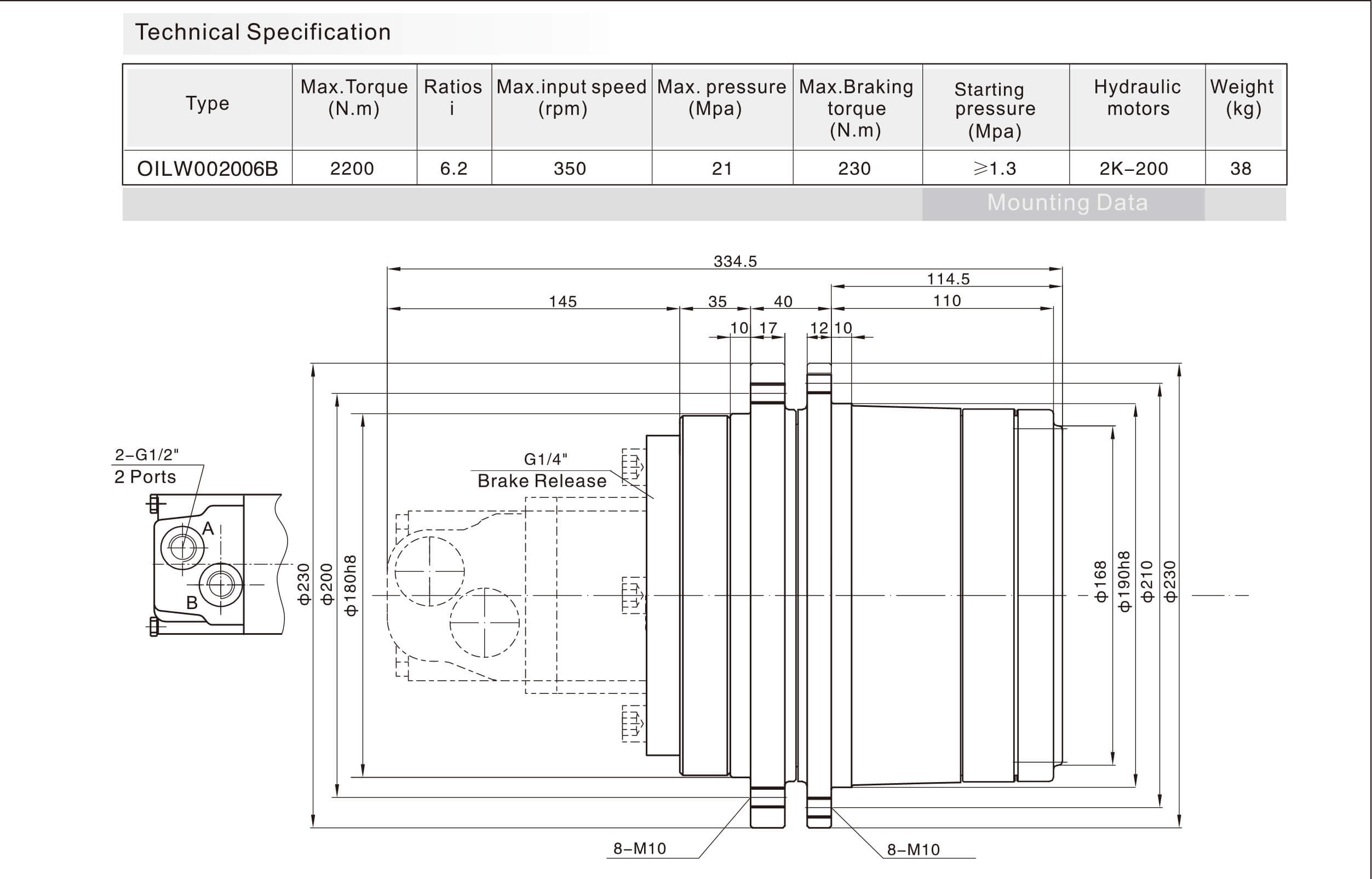
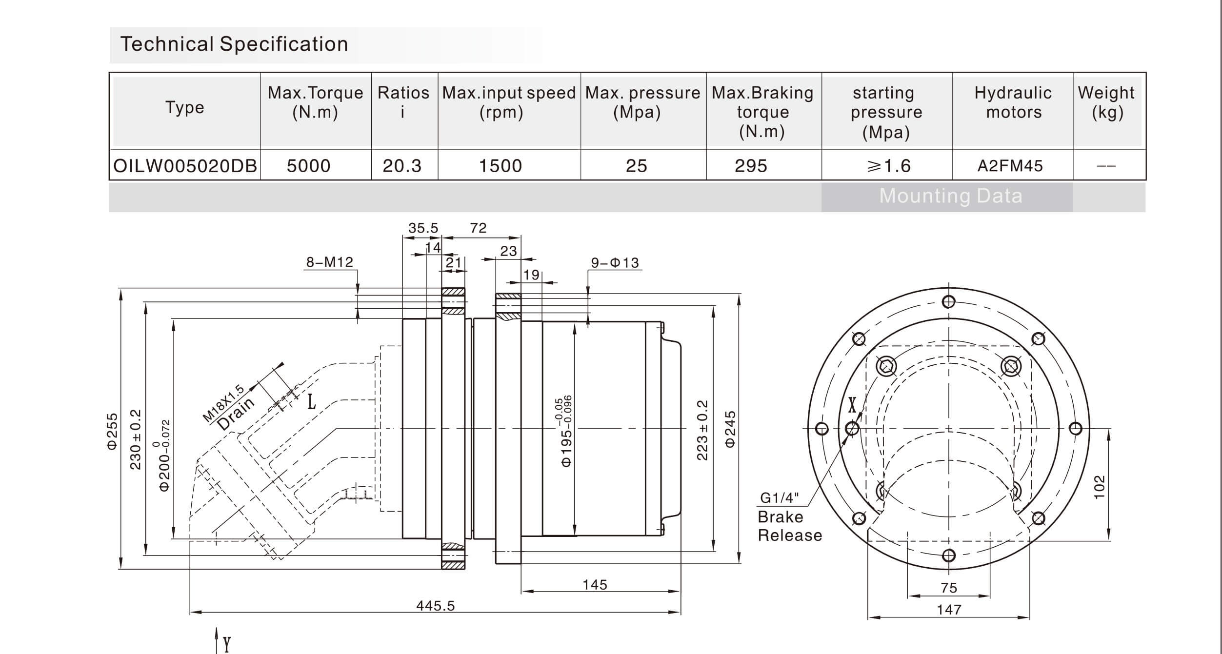
OILW Travel Drives
Product features
Transmission by the multiple-stage planetary gear, high efficiency and low noise;
Integrate spring loaded with hydraulically released multi-disc parking brake;
International standard modular design, higher Interchangeablity;
High strengh bearing set, absorbing axial or redial force;
Short radial dimention, high transmission efficiency, low speed stability.
-
Range of application
Mainly applicable in excavator, pavers, drilling machinery, road header and such wheel or track driving vehicles(road or off-road) or devices.



















