产品搜索

IEM电预塑系列CM 系列FMB 系列FMC 系列NHM(S) 系列GHM 系列EPMZ 系列RM&PMS系列行星 减速机OILW 行走减速机OILH 液压绞车

CHNENG

  • NHM(S) 系列

    NHM(S)系列液压马达是我司按照意大利提供的技术和标准生产的并且根据实际进行技术改进的一款产品,我司采用高性能的加工设备和先进的工艺严格保证产品的品质,该产品在综合性能上完全可以达到意大利的要求。

产品特点

1.采用偏心轴及较低激振频率的五活塞结构,具有低噪音的特点;

2.起动扭矩大,低速稳定性好,能在很低的速度下平稳运转;

3.专利技术的平面补偿配油盘,可靠性好,泄漏少;活塞与柱塞套采用密封环密封,因而具有很高的容积效率;

4.曲轴与连杆间由滚柱支承,因而具有很高的机械效率;

5.旋转方向可逆,输出轴允许承受一定的径向和轴向外力;

6.具有较高的功率质量比,体积重量相对较小。

  • 应用范围

    该马达排量范围宽,可广泛应用于工程机械、船舶机械、农业机械交通运输、石油采矿、机械制造等行业中液压系统中。

NHM(S) 系列

以下数据为实测所得,仅用于对产品描述及应用参考,因实际使用等诸多原因,不视为产品实际应用的性能保证。英特姆保留对样品中的产品参数、尺寸及其性能进行修改的权利,如有变更,恕不另行通知。版权所有,禁止未经过宁波欧易及英特姆公司书面授权的任何局部或整体内容复制与使用。

型号排量 (ml/r)压力 (MPa)扭矩 (N.m)转速范围 (r.min)重量 (Kg)
额定压力最高压力额定扭矩单位理论扭矩
NHM1-63NHM1修.pngNHM(S)1-63-200.JPG7725322841115~90021
NHM1-80NHM1修.pngNHM(S)1-63-200.JPG9125323351315~85021
NHM1-100NHM1修.pngNHM(S)1-63-200.JPG9625323551415~80021
NHM1-110NHM1修.pngNHM(S)1-63-200.JPG11325324191715~80021
NHM1-125NHM1修.pngNHM(S)1-63-200.JPG12620253711915~80021
NHM1-140NHM1修.pngNHM(S)1-63-200.JPG13820254102015~80021
NHM1-160NHM1修.pngNHM(S)1-63-200.JPG15916203762415~70021
NHM1-175NHM1修.pngNHM(S)1-63-200.JPG18116204282715~63021
NHM1-200NHM1修.pngNHM(S)1-63-200.JPG19616204642915~63021
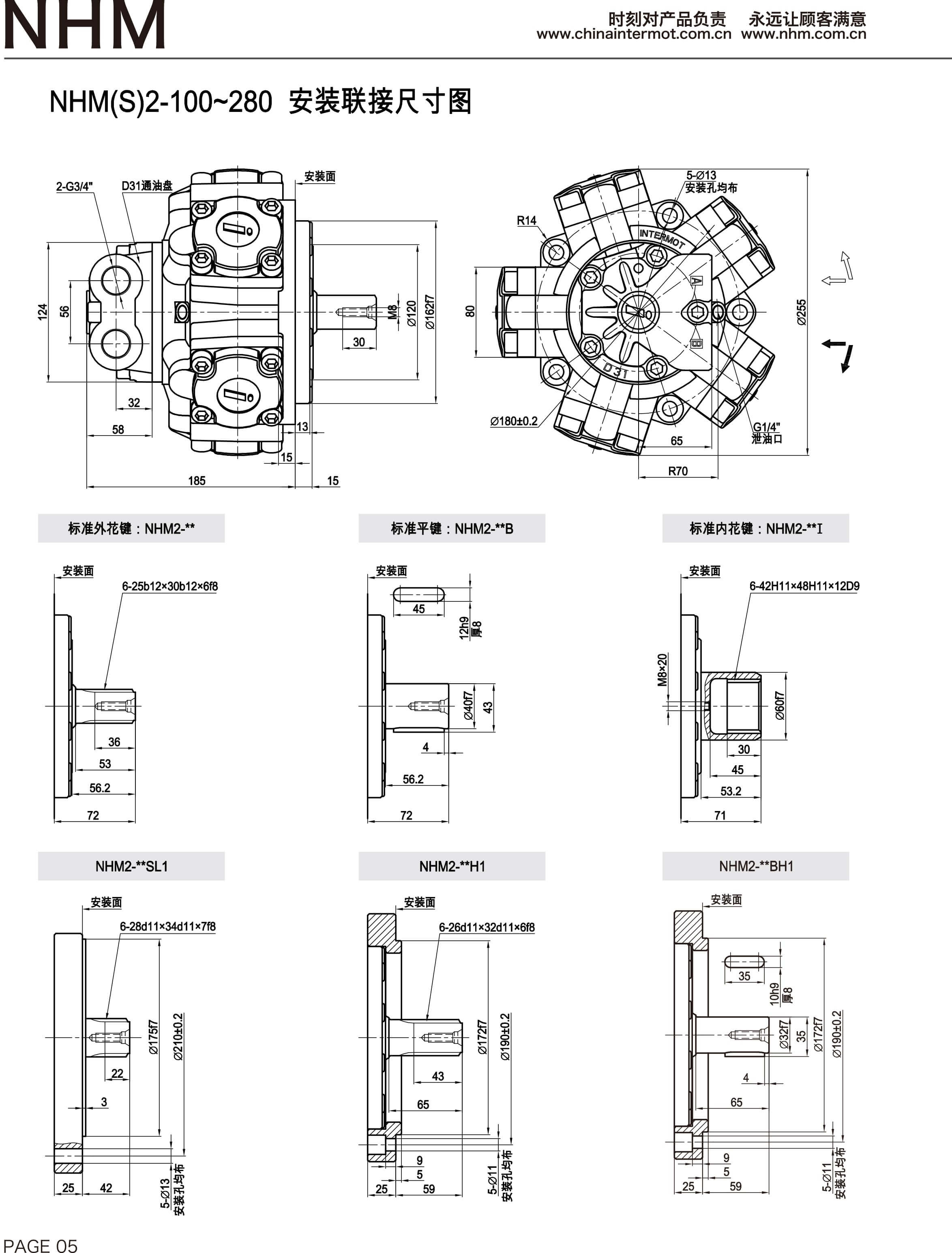
NHM2-100NHM(S)2-100-280.jpg11325324191715~80028
NHM2-150NHM(S)2-100-280.jpg

15925325882415~70028
NHM2-175NHM(S)2-100-280.jpg

18020255322715~60028
NHM2-200NHM(S)2-100-280.jpg

2072025611318~60028
NHM2-250NHM(S)2-100-280.jpg

2351620556358~60028
NHM2-280NHM(S)2-100-280.jpg

2761620653418~50028
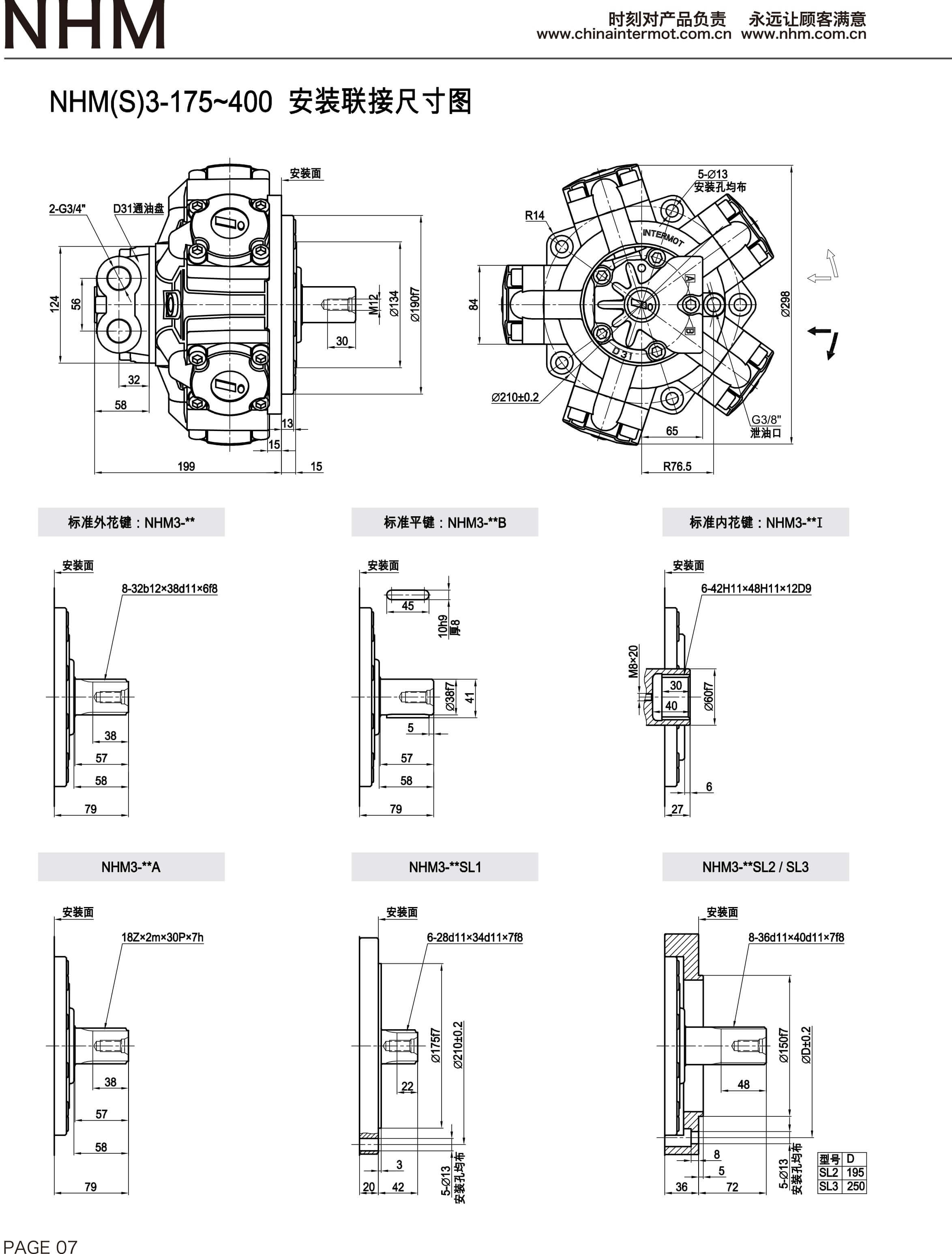
NHM3-175NHM(S)3-175-400.jpg1812532670278~60035
NHM3-200NHM(S)3-175-400.jpg2012532743308~60035
NHM3-250NHM(S)3-175-400.jpg2542025752388~50035
NHM3-300NHM(S)3-175-400.jpg2892025856436~45035
NHM3-350NHM(S)3-175-400.jpg3401620804506~40035
NHM3-400NHM(S)3-175-400.jpg3801620899566~35035
NHM6-400NHM(S)6-400-750.jpg39725321469595~50057
NHM6-450NHM(S)6-400-750.jpg

45225321672675~50057
NHM6-500NHM(S)6-400-750.jpg

49120251451735~40057
NHM6-600NHM(S)6-400-750.jpg

59420251756884~40057
NHM6-700NHM(S)6-400-750.jpg

683162016161014~35057
NHM6-750NHM(S)6-400-750.jpg

754162017851124~32057
NHM8-600NHM(S)8.jpg61725322282914~40066
NHM8-700NHM(S)8.jpg

710253226261054~40066
NHM8-800NHM(S)8.jpg

810202523961204~35066
NHM8-900NHM(S)8.jpg

889202526291313~35066
NHM8-1000NHM(S)8.jpg

1000162023661483~30066
NHM11-700NHM(S)11-700-1300.jpg707253226121044~35088
NHM11-800NHM(S)11-700-1300.jpg

784253228991164~35088
NHM11-900NHM(S)11-700-1300.jpg

894253233061324~35088
NHM11-1000NHM(S)11-700-1300.jpg

981202529021453~32088
NHM11-1100NHM(S)11-700-1300.jpg

1104202532651633~32088
NHM11-1200NHM(S)11-700-1300.jpg

1234162029191823~32088
NHM11-1300NHM(S)11-700-1300.jpg

1301162030791923~25088
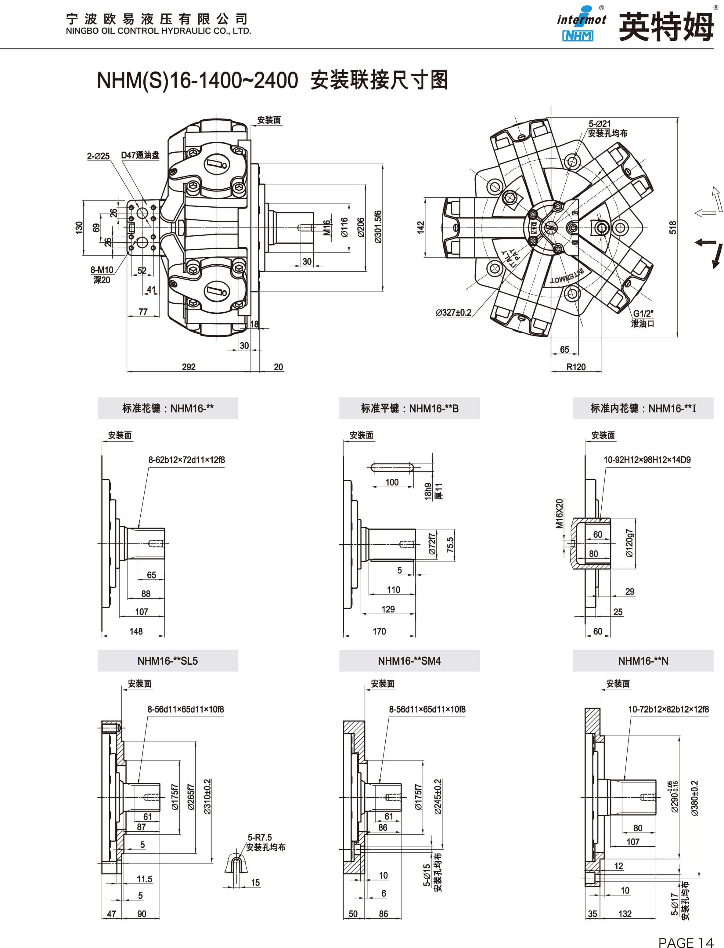
NHM16-1400NHM(S)16-1400-2400.jpg1413253252242092~300154
NHM16-1500NHM(S)16-1400-2400.jpg

1528202545202262~300154
NHM16-1600NHM(S)16-1400-2400.jpg

1648202548742442~300154
NHM16-1800NHM(S)16-1400-2400.jpg

1815202553672682~250154
NHM16-2000NHM(S)16-1400-2400.jpg

2035162048143012~250154
NHM16-2200NHM(S)16-1400-2400.jpg

2267162053643352~200154
NHM16-2400NHM(S)16-1400-2400.jpg

2444162057833612~200154
NHM31-2400NHM(S)31-2500-5000.jpg2375202570233512~200324
NHM31-2500NHM(S)31-2500-5000.jpg

2553253294383782~200324
NHM31-2800NHM(S)31-2500-5000.jpg

2683202579353971~200324
NHM31-3000NHM(S)31-2500-5000.jpg

3063202590574531~200324
NHM31-3150NHM(S)31-2500-5000.jpg

3218202595184761~16032
NHM31-3500NHM(S)31-2500-5000.jpg

3561162084245271~160324
NHM31-4000NHM(S)31-2500-5000.jpg

4153162098256141~140324
NHM31-4500NHM(S)31-2500-5000.jpg

45221620106986691~140324
NHM31-5000NHM(S)31-2500-5000.jpg

48281620114237141~140324
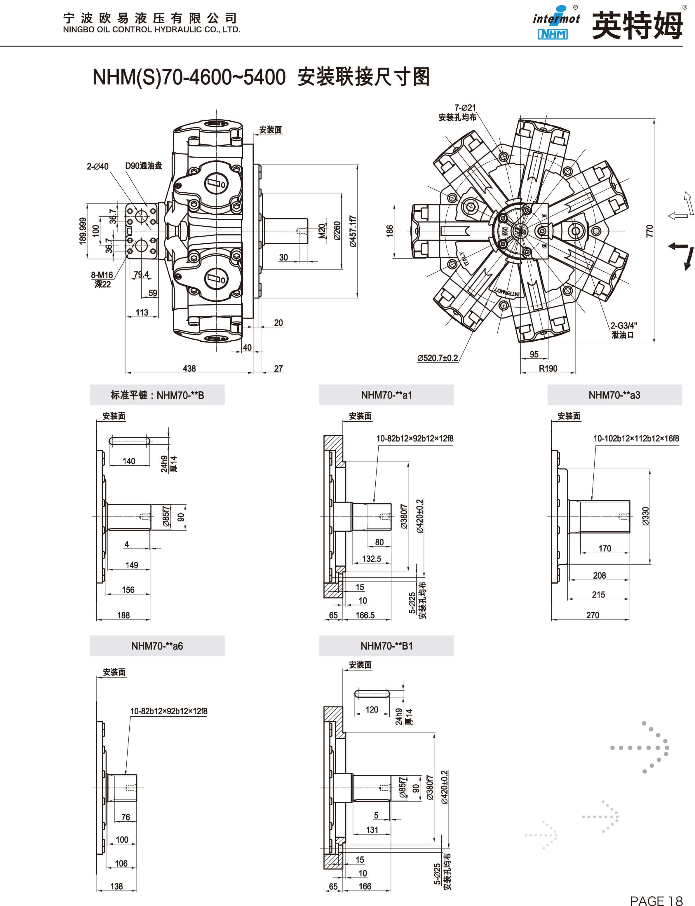
NHM70-4600NHM(S)70-4600-5400.jpgNHM(S)70-4600-5400 .jpg46042025136176811~120500
NHM70-5000NHM(S)70-4600-5400.jpgNHM(S)70-4600-5400 .jpg49462025146267311~120500
NHM70-5400NHM(S)70-4600-5400.jpgNHM(S)70-4600-5400 .jpg54522025161258061~120500


加载更多>>

产品标识说明

NHM产品标识说明.jpg

注意事项

1.过滤:正常的工业用过滤精度推荐为25微米,对低压、低速或间隙工况时可以允许精度为75微米。

2.粘度:最佳性能应在良好的粘度条件下才能获得,因此马达在大多数工况下,粘度应在15-1000厘范围

内,该范围保证满意地工作。

3.首次启动前,必须向液压马达壳体内注满液压油,以防损坏。

4.泄漏:泄油口应单独地与油箱接通,泄油管应插入油箱液面以下,-般下壳体允许最大压力为0.1Mpa。

5.泄油管的最高水平位置应高于马达壳体的最高水平位置,以防马达壳体内的油液排空。.

6.液压马达可以任意位置安装,安装马达的支架必须有足够的刚性,安装时应保证液压马达所联接的传动,主轴与液压马达的输出轴同心。

7.严格保证联接油口的清洁度,不允许任何固体异物进入。

8.减少液压马达输出轴所受径向、轴向负荷,可以使液压马达寿命延长。

9.该型马达应避免在泵工况下运转。

计算公式

① 液压马达的实际输出扭矩:M=0.159(P1-P2)V·ηm(N.m)
式中:P1、P2---------------------分别为液压马达的入口和出口压力(MPa)
V---------------------------------------------------------液压马达的排量(ml/r)
ηm----------------------------------------------------液压马达机械效率(%)

② 液压马达输出功率:
N=(M·n)/9950(kW)N=[q(P1-P2)/60000]·ηm·ηv(kW)
式中:n--------------------------------------------------液压马达的转速(r/min)
q----------------------------------------------------输入液压马达的流量(ml/min)
ηv------------------------------------------------------液压马达容积效率(%)

③ 液压马达的转速:
n=q/V·ηv(r/min)